RFS-3G 射頻場強感測器 (3.0 GHz)
抗干擾設計,內建單極天線與 Wi-Fi 抑制功能
射頻場強準確守護
專為電子加速器安全防護設計的 3.0 GHz 射頻場強感測器
RFS-3G 射頻場強感測器專為3 GHz 電子加速器應用設計,具備45 dB 寬動態範圍,能有效偵測非法射頻場強,強化人員防護與系統穩定性;該機種整合單極天線(monopole antenna)與隔離式類比電流迴路介面(analogue current loop),結合小型化模組設計,可靈活安裝並無縫整合至既有系統架構。
適用於3 GHz 頻段的射頻場強量測,量測資料透過類比電流迴路輸出,其天線與訊號處理模組一體化設計,使 RFS-3G 成為一款高度整合、精準抗干擾的射頻場強偵測解決方案,常見應用包括:電子加速器漏訊偵測、無線電安全監測與人員防護系統。
主要特點
- 適用 3.0 GHz 射頻頻段
- 專為電子加速器安全防護設計
- 45 dB 典型射頻動態範圍
- 內建單極天線
- 具備 GSM900、GSM1800、DECT、LTE、Wi-Fi 802.11 抑制功能
- 內建 Wi-Fi 與手機干擾抑制功能,不受 GSM / DECT 等裝置影響
- 類比電流迴路輸出介面
應用場景
- 個人安全監控
- 無線電監測
- 電子加速器射頻洩漏偵測

非目標訊號抑制能力
RFS-3G 能有效抑制鄰近頻段的非目標訊號(如 GSM、DECT),確保不受手機或 Wi-Fi 等裝置干擾,這項功能大幅提升了測量精準度與可靠性,特別適用於雜訊干擾嚴重的實驗或工業場域。
技術規格

效能
在距離感測器 3 公尺處,以垂直放置的 λ/4 單極天線(天線增益 < 2.5 dBi)進行輻射,針對脈衝訊號(脈衝寬度 ≤ 5 μs)進行峰值量測。
建議線性對應公式
- 連續波(CW)訊號:P[dBm] = -18 dBm + I_LOOP × 2.8 dBm/mA
- 脈衝訊號(T < 5 μs):P[dBm] = -20 dBm + I_LOOP × 2.6 dBm/mA

Current Loop 響應(對應脈衝訊號)
提供高線性輸出,便於精確對應並連接外部量測儀器進行訊號還原與評估

連接介面

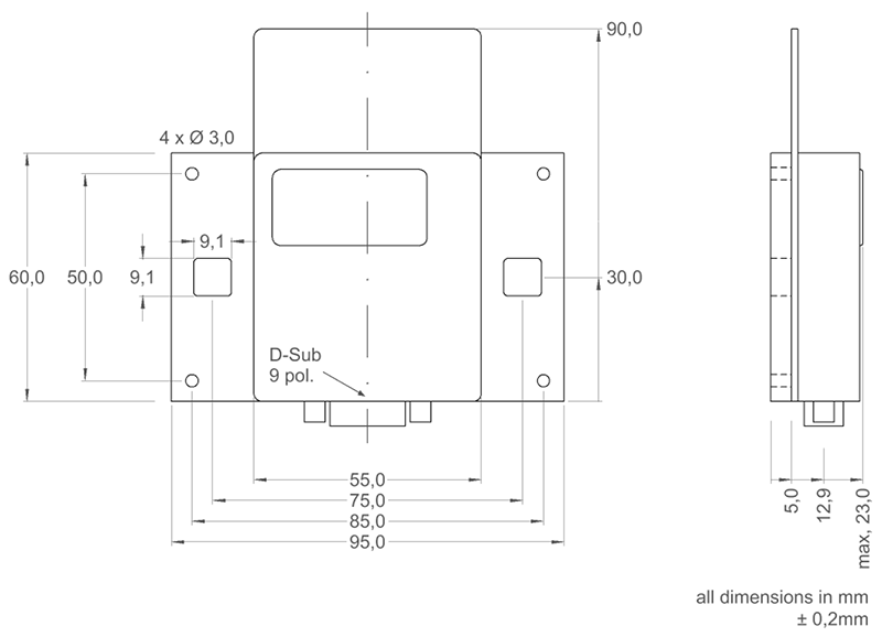
尺寸

相關產品
