RFS-1G3 射頻場強感測器 (1.3 GHz)
整合單極天線與電流環迴輸出,精準抑制非目標訊號干擾
RFS-1G3 射頻場強感測器針對 1.3 GHz 頻段電子加速器應用優化設計,具備高靈敏度場強偵測能力與 45 dB 寬動態範圍(typ.),可有效偵測非法或異常射頻場強以保障人員安全;此模組內建單極天線(monopole antenna),搭配隔離型類比電流環迴介面(isolated analogue current loop interface)與小型化模組架構,可輕鬆整合進現有監控系統中。
RFS-1G3 提供即時、穩定的射頻場強量測輸出,支援類比電流環迴格式傳輸資料。內建天線設計進一步簡化佈線作業,為射頻監控系統提供一體化解決方案。
此感測器廣泛應用於電子加速器場強洩漏偵測,亦適用於其他須確保工作人員輻射防護的高頻環境安全監控任務。
功能特點
- 1.3 GHz 射頻偵測頻段,動態範圍達 45 dB(typ.)
- 應用於電子加速器、ISM 頻段與個人安全
- 支援射頻監測功能,提升場域感測準確度
- 內建單極天線,簡化系統整合佈線
- 具備頻外抑制能力,可有效抑制 GSM、DECT 等干擾訊號
- 穩定輸出類比電流迴路(Analogue Current Loop),便於資料介接與傳輸
應用場景
- 人員安全保障監測
- 射頻場強監測與管制
- 電子加速器場強洩漏偵測

抑制非目標頻段訊號
RFS-1G3 模組具備優異的頻外抑制能力,可有效抑制 GSM900、GSM1800、DECT 等行動通訊設備所產生之非目標頻段訊號(Out-of-band signals)干擾,確保感測準確性與穩定性,避免移動裝置影響量測結果。
技術規格

接頭類型

效能

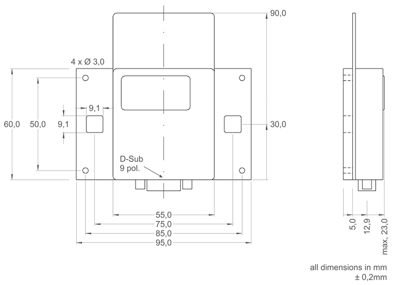
尺寸

相關產品
