MBAC 4CH 主動式天線合路器
廣播與導航訊號整合專用
整合 AM/FM、DAB、DVB-T、GNSS
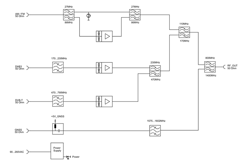
MBAC 為一款多頻段高動態 主動式天線合路器,專為廣播與導航應用設計,具備 4 組獨立輸入通道,分別對應 AM/FM、DAB3、DVB-T 及 GNSS 訊號,並將其整合為單一共用輸出;全機採用 50 歐姆架構,適用於高訊號品質要求之專業廣播分配系統。
各輸入通道均內建 頻率預選濾波器(Frequency Preselection Filters),用以抑制不必要的雜散訊號;FM、DAB 與 DVB-T 通道更配置 低雜訊、低失真前置放大器,有效補償外部纜線損耗;GNSS 通道支援 虛擬供電(Phantom Power),可供應主動天線電流最高達 200 mA;AM 通道則內建 突波保護器(Surge Arrestor),提供避雷保護。
產品特點
- 採用 50 歐姆技術架構
- 頻率選擇性輸入,具備雜訊抑制能力
- FM、DAB、DVB-T 通道內建低雜訊、低失真前置放大器
- GNSS 通道內建虛擬供電功能
- AM 通道具備避雷防護設計
- 標準 19 吋、1U 機架式設計
應用場景
- 廣播訊號合路與分配系統
- AM/FM、DAB、DVB-T、GNSS 多訊號整合
- 設施基礎建設布線
- 研發與驗證應用

訊號分配應用架構
可與 WSDU 系列 寬頻訊號分配器搭配,於建築設施內部建構無損訊號分配網路,透過單一 RF 纜線連接 MBAC 與多路分配器,即可實現低成本、高效率的訊號佈建。
測試配置

典型應用架構
DUT 直接連接方案
Becker 提供 FDMX 系列 頻率解多工器,具備 Fakra 連接器與多種 DC 負載選項,包含固定負載與可程式化電流吸收功能,適用於 DUT 虛擬供電測試。
技術規格


系統架構圖

效能



外觀

尺寸

相關產品




