AMP01600017 高動態寬頻放大器模組
高 IP3 × 超寬頻 × 即時監控輸出,專業接收系統首選模組
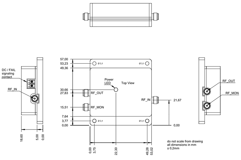
AMP01600017 為 Becker 所推出之小型化寬頻放大器模組,採用 50 歐姆阻抗匹配技術設計,專為通訊、量測與高頻電子系統等專業應用場域打造;該機種具備堅固穩定的電氣與機構結構,可於長時間連續運作下維持高度穩定性與可靠性;其涵蓋頻率範圍從 100 kHz 至 6500 MHz,橫跨多個頻段,適用於各類射頻應用場景。
內部配置高效能濾波器與低雜訊穩壓電源設計,有效抑制來自內部或外部之雜散訊號(spurious signal),進一步提升系統整體訊噪比;模組本體配有 LED 電源指示燈,清楚顯示 DC 供電狀態,便於即時監控模組運行情形。
此外,AMP01600017 內建 一體式鋁擠散熱片,無需外接風扇,即可透過被動式散熱機構維持適當工作溫度,確保放大器模組在嚴苛環境下亦能穩定運作。
產品特點
- 輸出功率 +17 dBm(典型值)
- 具備訊號監控輸出埠
- 輸出三階交調點(OIP3)+32 dBm(典型值)@ 1 GHz
- 內建電壓穩壓器
- 具備光學供電指示
應用領域
-
接收端放大器(RX amplifier)
-
功率放大驅動器(PA driver amplifier)
-
實驗室應用
-
測試設備

特殊功能說明
此機種具備高三階交調點(High IP3)特性與超寬頻操作能力(100 kHz 至 6500 MHz),特別適用於專業接收系統與高動態範圍應用。在實際運作中,能夠於微弱射頻訊號(RF signal)與高功率強訊號共存的環境下,有效抑制非線性失真與互調干擾,確保訊號處理鏈路具備優異的線性響應與準確性。
模組內建耦合輸出埠 “RF_OUT2”,提供非侵入式監控能力,使用者可於不中斷主訊號傳輸的情況下,進行即時訊號監測或接入量測儀器,大幅提升測試靈活性與系統整體可用性。
堅固設計
該放大器模組採用鋁合金實心切削外殼封裝,具備高度的機械強度與耐用性,可有效防止外力衝擊所造成的結構損壞;同時,其精密機構設計提供出色的電磁干擾遮蔽效能(EMI shielding),可阻隔來自外部環境之無線電干擾,確保內部訊號處理電路維持在低雜訊、低干擾的穩定工作條件下運作。
此設計特別適用於具挑戰性的環境與高可靠度需求的系統整合應用,如軍用通訊、產線測試設備、或研發驗證平台。
技術規格

效能


尺寸

相關產品
