AGV3D 三軸雷射掃描頭
整合直驅式聚焦技術與最大化工作範圍
為複雜輪廓加工提供卓越的精度與穩定性
Aerotech AGV3D 三軸雷射掃描頭藉由最大化馬達驅動的工作範圍與最小化聚焦光點尺寸,同時提供目前市場上最高水準的熱穩定性與動態性能,在三維 (3D) 雷射加工領域中,展現了業界領先的精準度,AGV3D 為您的加工流程帶來最高水準的品質與多功能性。
設計特點
- 採用高剛性、高解析度的直驅式聚焦軸設計,提供卓越的定位與聚焦性能。
- 堅固的結構設計以及選配的氣冷與水冷功能,可將飄移降至最低,並確保長時間加工的一致性。
- 新穎的光學設計可有效縮小切口寬度,進而產生最精密的加工特徵。
- 橫跨多種雷射波長的最大化工作範圍,能輕易追蹤 3D 表面並調整工作距離,大幅減少手動調整的需求。
- 透過多種可配置的選項與功能,簡化與統包式雷射加工系統的整合流程。
- 藉由市面上最人性化且功能強大的控制器平台,與其他設備(如定位平台、伺服與步進馬達、壓電奈米定位器及六軸平台)達成無縫同步。
- 小型化、輕量化的設計,有助於縮減配套運動機構的規模與複雜度,實現更精簡的機台佔地面積。
- 能執行複雜的軌跡,在需要與伺服平台進行協同運動的嚴苛應用中,展現出色的精準度。
- 出廠前已預先設定客戶偏好的組態,提供開箱即用的便利體驗。

最大化工作範圍,同時最小化光點尺寸
AGV3D 之所以能實現更高的精準度,是因為它具備直驅式動態聚焦光學元件與高解析度回饋,其動態聚焦模組 (DFM) 具備高剛性、卓越的動態特性與優異的定位性能,能將定位誤差降至最低,進而達成高度優化的雷射加工能力,此外,AGV3D 提供市面上所有 3D 掃描器中最大的馬達驅動工作範圍,不僅為您的製造流程帶來多樣性與高效率,更免除了為手動調整焦距而中斷生產的麻煩,AGV3D 能夠在工作範圍內的任何位置,快速且輕易地投射出一個清晰聚焦的光點。
關鍵應用
AGV3D 在處理 3D 物體、變換工作距離、以及將大視野平坦化的應用中表現出色,其能力超越了傳統 F-theta 掃描透鏡的極限,應用領域包括:
- 醫療器材製造
- 積層製造與 3D 雷射燒結
- 圓柱體與管狀物加工
- 切割、修邊、鑽孔與劃線
- 深度雕刻
- 3D 雷射微加工與微結構處理
此圖為 AGV3D 雷射掃描頭的工作範圍示意圖,其具備兩種使用者可選擇的視野模式配置(F1、F2),分別對應不同的工作距離與視野(FOV)範圍,展現了從最小到最大的視野調整彈性,以適應多樣化的 3D 加工應用。創新的直驅式聚焦技術
至今,許多市面上的 3D 雷射掃描頭仍採用旋轉式振鏡馬達與切線臂驅動機構來平移聚焦光學元件,這種間接驅動的設計往往容易產生熱不穩定性,並且缺乏應對高挑戰性應用所需的動態性能與精準度。
相較之下,AGV3D 是市場上唯一一款 DFM 採用高性能直驅式運動技術的掃描器,提供了無可比擬的剛性、精度、重複性與穩定性,AGV3D 的 DFM 配備了直驅式線性聚焦軸,可實現卓越的動態性能與平滑精確的運動,並搭配高解析度位置回饋以進行準確且可重複的聚焦,AGV3D 也提供氣冷與水冷選項,在嚴苛的應用中能確保最佳的熱穩定性。
卓越的易用性與更高的產能
AGV3D 在多種雷射波長下,皆提供市面上最大的馬達驅動工作範圍,讓您能輕鬆地追蹤 3D 輪廓表面、調整工作距離,並即時維持最佳化的焦點,不同於那些需要繁瑣手動調整 DFM 才能改變可用工作範圍的設計,AGV3D 具備兩種簡易的使用者可選擇視野模式配置設定,涵蓋從 100x100 mm 到 1000x1000 mm 甚至更大的視野範圍,AGV3D 設備在到貨時,將已預先設定好您所期望的工作範圍組態,同時您也可以隨時快速、輕易地切換不同設定,憑藉其創新的光學設計,此機種能產生最小的聚焦光點尺寸,讓您能夠精確且高效地加工您的工件,選配的氣冷與水冷功能則能改善長期的熱穩定性,帶來一致的加工成果,並允許更積極的動態性能以達成更高的產能。
專為系統級整合而設計
AGV3D 是將 3D 雷射加工與精密機械整合的理想選擇,其小型化、輕量化的設計,讓您可以使用更小、更有效率的輔助運動機構,這有助於更優化的機台設計、提升的系統動態性能,以及更小的機台佔地面積。
AGV3D 相容於多種雷射波長,讓您在為製程選擇合適的雷射時擁有更多彈性,依據您的製程需求,AGV3D 提供不同的光圈選項,以最小化聚焦光點尺寸並最大化動態性能。
許多供應商將掃描頭與 DFM 的最終整合工作留給客戶,Aerotech 則將 AGV3D 以完全組裝好的掃描系統形式出貨,為您節省時間與精力,AGV3D 也能容納市面上多種 F-theta 掃描透鏡,適用於處理高度或厚度變化不大的工件,或用於多層加工應用,此外也可使用遠心鏡頭,以維持雷射光束垂直於工作表面。
單一控制器整合所有運動軸
Aerotech 的控制器能輕易地同步與協調 AGV3D 與系統中其他運動軸的動作,包括伺服與步進馬達平台、壓電奈米定位器及六軸平台,由於所有設備都透過同一個介面進行編程與控制,您的使用者體驗將是無縫且直觀的,這種同步機制也實現了如無限視野 (Infinite Field of View, IFOV) 與位置同步輸出 (Position Synchronized Output, PSO) 等先進的控制功能。
技術規格



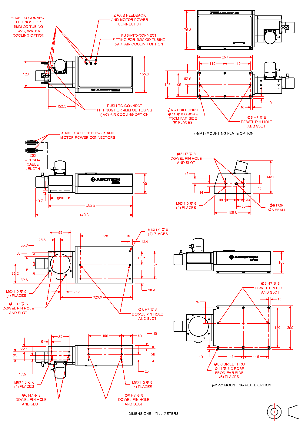
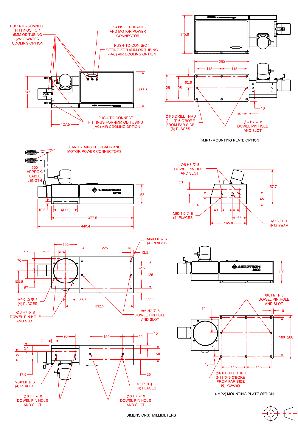
機構尺寸
AGV3D-20

AGV3D-30

訂購資訊


