AGV-XPO 高動態雷射掃描頭
極致動態響應,實現奈米級路徑控制
AGV-XPO 是Aerotech一款高性能的二軸雷射掃描頭,此機種有助於在速度與精度之間取得最佳平衡、大幅減少了兩者之間的相互牽制,其低轉動慣量、高效率的馬達可實現快速的加速曲線,而超高解析度的位置回授與優化的結構動態特性則提供卓越的工件輪廓追蹤能力,並將追隨誤差降至最低;將 AGV-XPO 與 Aerotech 控制器搭配使用,可透過先進的運動控制功能以及與其他運動軸的協同作業,進一步強化您的製程能力。
特點
- 透過創新的動態優化設計,有效提升製程產能。
- 運用高解析度回授機制,提供卓越的動態精度並改善製程良率。
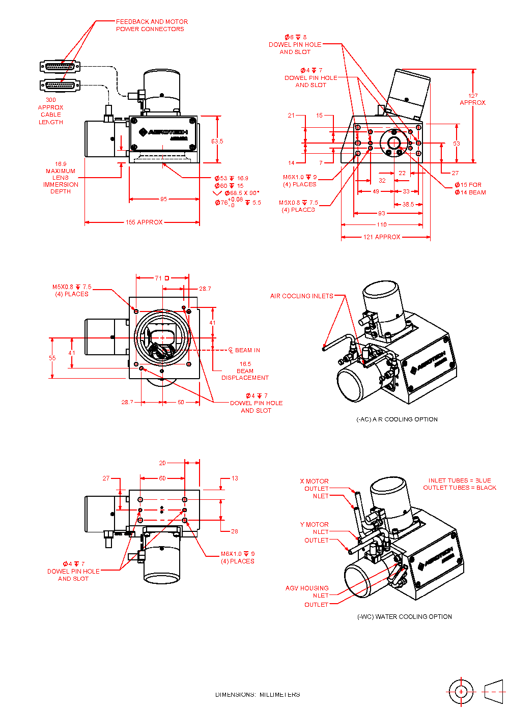
- 可選配氣冷與水冷功能,強化熱穩定性。
- 提供多種光學配置選項,賦予系統設計高度的靈活性。
- 能輕易與其他運動軸進行同步,提供無縫整合與便捷的使用體驗。
關鍵應用
AGV-XPO 特別適用於需要卓越動態精度、最低追隨誤差以及快速移動-穩定性能的高產能應用,包含:
- 顯示器處理
- 高速鑽孔與切割
- 電子製造
- 大工作範圍與長焦距掃描
- 飛秒雷射加工

為高動態性能優化的結構設計
Aerotech的 AGV-XPO 掃描頭是從基礎架構上徹底重新設計,用以實現極高的速度與加速度,同時提供出色的工件路徑精度,此能力的關鍵在於創新的馬達設計,其特色為具備超高剛性、低轉動慣量的轉子,並搭配高效率的定子,相較於傳統的振鏡馬達設計,此設計能帶來更高的頻寬並減少追蹤誤差,此外,特殊優化的反射鏡與鏡座,更透過提高抗扭剛性並降低轉動慣量,進一步改善動態性能。
卓越的回授解析度
對於在高速下實現動態精度而言,一個高解析度的回授裝置至關重要,AGV-XPO 提供兩種回授配置以滿足多樣化的應用需求,針對要求最高加速度等級且具備中短有效焦距的應用,建議選用具備數位細分輸出 (Interpolated Output) 訊號的高解析度位置編碼器以及低慣量光學尺的 -E1 選項;而對於需要最精細工件路徑精度及/或使用長有效焦距的高動態應用,則可選用回授解析度優於 0.0002 µrad 的超高解析度編碼器,即 -E2 選項。
AGV-XPO 回授配置比較表 (-E1 vs. -E2)
|
比較項目 |
-E1 選項 |
-E2 選項 |
|
核心技術 |
• 高解析度位置編碼器 |
• 超高解析度編碼器 |
|
關鍵性能指標 |
強調高速動態響應與加速能力 |
回授解析度優於 0.0002 µrad |
|
適用情境 |
• 需要達到最高加速度等級的應用 |
• 需要最精細工件路徑精度的應用 |
|
主要優勢 |
在高速、高加速度的運動下,提供最佳化的動態追蹤性能。 |
提供極致的定位精度與最精確的軌跡控制能力。 |
|
選擇考量 |
優先考慮「速度與加速度」 |
優先考慮「路徑的精準度」 |
靈活的配置選項
AGV-XPO 提供多種光圈尺寸、多樣的光學鍍膜與聚焦光學元件選擇,以支援廣泛的雷射與應用需求,Aerotech也可根據要求提供客製化的光學元件與光學安裝方案,此外,AGV-XPO 可配置反射鏡氣冷、馬達水冷,或兩者皆配置,這些主動式散熱功能有助於在雷射和劇烈運動曲線產生的熱干擾下,維持雷射光點的定位精度;最後,所有 Aerotech 雷射掃描頭都可以透過 Aerotech 控制器,與其他類型的運動軸(如伺服、步進、壓電、六軸平台等)進行輕鬆協調,從而簡化系統整合並達到最佳的使用便利性。
進階程式編輯功能
AGV-XPO 支援 Aerotech 為傳統伺服架構雷射加工應用所開發的各種先進運動與位置同步輸出 (Position Synchronized Output, PSO) 功能,其輪廓循跡功能可用於最小化軌跡過衝,透過 PSO 功能,雷射觸發可依據反射鏡的位置回授進行,確保掃描器在速度變化時仍能維持一致的光點重疊率,Aerotech 的無限視野 (IFOV) 功能能夠無縫地結合伺服平台與掃描頭的運動,將掃描頭的標記範圍擴展至整個伺服平台的行程,有效消除傳統步進掃描 (step-and-scan) 製程中可能出現的拼接誤差。
性能表現

在 5 m/s 加工速度與 250 mm 有效焦距的條件下,AGV-XPO(藍線)的最大誤差僅 7.1 µm;相較於前代 AGV20HP(黑線)的 29.7 µm,此結果證明 AGV-XPO 在高速運動下,具備更卓越的路徑控制精度與動態穩定性。

AGV-XPO 搭配超高解析度編碼器(-E2 選項,藍線)的抖動程度,遠低於採用標準編碼器的 AGV-HP(灰線),此結果證明 -E2 選項具備極低的電子雜訊與出色的靜態穩定性,是精密加工與長焦距應用的理想選擇。
技術規格

機構尺寸
AGV10XPO-E1-BE1

AGV10XPO-E1-BE2

AGV10XPO-E2-BE1

AGV10XPO-E2-BE2

AGV14XPO-E1-BE1


AGV14XPO-E1-BE2

AGV14XPO-E2-BE1

AGV14XPO-E2-BE2

AGV20XPO-E1-BE1

AGV20XPO-E1-BE2

AGV20XPO-E2-BE1

AGV20XPO-E2-BE2

訂購資訊



