衛星通訊訊號品質量測:EVM與BER原理、DVB-S2X分析實戰
隨著全球對高速數據傳輸的需求激增,衛星通訊產業正邁向高傳輸量衛星 (HTS) 與大規模低軌道衛星群 (LEO Constellations) 的時代,例如OneWeb等網路的部署,為最大化寶貴的頻譜資源,現代衛星通訊標準如 DVB-S2X 採用了極高階的數位調變技術(如32APSK、256APSK,甚至更高),以實現更高的數據速率和傳輸效率。
測試需求的產生與重要性
當調變複雜度提高,訊號對雜訊和失真的容忍度就越低,因此為了確保這些複雜訊號能準確無誤地穿越衛星轉發器(Transponder)並被地面站接收,在衛星整合階段以及在軌運行(In-orbit Operation) 期間,對訊號品質進行嚴格驗證成為必要條件。
這種測試的重要性在於:
- 確保連結可靠性:精準量測調變準確度 (Modulation Accuracy) 和 位元錯誤率 (BER),以確認衛星上下行鏈路在不同頻率和條件下的性能。
- 最大化容量:高品質的訊號是實現高階調變和最大化轉發器容量的基礎。
- 故障排除:快速診斷和排除干擾、雜訊或其他系統缺陷。
技術原理:誤差向量幅度 (EVM)
在衛星訊號品質量測中,誤差向量幅度 (Error Vector Magnitude, EVM) 是一個關鍵參數,它直接決定了訊號經過轉發器內部處理後再生訊號的品質,EVM 的技術原理是透過分析從衛星或地面站發射的載波(Carrier)功率及數位解調特性來實現,量測儀器會將實際接收到的訊號(包括其振幅和相位錯誤)與根據理想調變類型和符碼率等設定所計算出的理想參考訊號進行比較,兩者之間的差異即為「誤差向量」,而 EVM 便是該誤差向量的均方根值,用來量化訊號所遭受的失真程度。EVM 值越低,代表調變品質越好。
訊號品質的量測與分析實作
羅德史瓦茲 R&S®FSW-K70 VSA 方案
諸如 EVM、BER、訊號振幅和相位等關鍵參數,可以透過配備 R&S®FSW-K70 向量訊號分析 (Vector Signal Analysis, VSA) 的 R&S®FSW 訊號與頻譜分析儀輕鬆監測,R&S®FSW-K70 VSA 選項能透過以下方式,確定衛星發射/接收訊號的品質:
- 寬頻分析能力:能夠分析高達 8.3 GHz 訊號分析頻寬的數位調變單載波訊號。
- 標準化解調:使用預定義的標準特定設定,支援 DVB‑S2(X)、DVB-S2X Annex E、DVB-RCS2 等衛星標準的調變分析與 BER 量測。

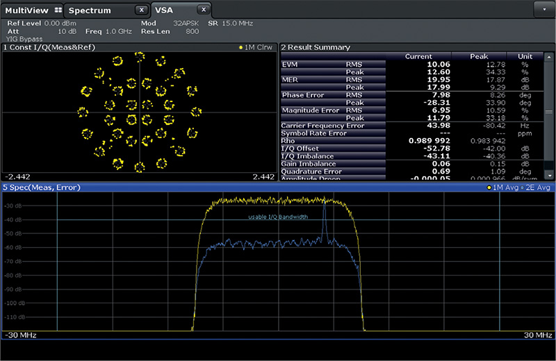
衛星載波在軌監測 - 利用圖中所示的測試配置,可以快速準確地監測在軌衛星的載波,根據地面站的配置和使用的頻段,可以選用不同頻率範圍的頻譜分析儀進行監測。
進階應用一:DVB-S2X 多重調變分析
DVB-S2X 訊號的影格(Frame)通常在表頭(Header) 和 有效載荷(Payload) 部分使用不同的調變方案,例如有效載荷可能使用高效率的 256APSK 調變,而表頭和導頻部分則採用更穩健可靠的 QPSK 調變。
透過 R&S®FSW 的 多標準無線電分析儀 (MSRA) 模式 搭配 R&S®FSW-K70,可以在相同的 I/Q 數據基礎上,將 DVB-S2X 訊號的表頭和有效載荷數據分開解調,分析儀會在不同的視窗中顯示性能參數、星座圖等,實現對不同調變區段的獨立分析。

DVB-S2X 有效載荷分析:此圖為有效載荷的分析截圖,顯示了其採用的 256APSK 調變。

DVB-S2X 表頭分析:此圖的場景與上圖相同,但顯示的是表頭部分的分析截圖,其採用的是更穩健的 QPSK 調變。
進階應用二:複雜干擾故障排除
VSA 應用還有助於分析和排除衛星鏈路中的複雜干擾問題,例如當無線通訊訊號干擾地面站訊號,或當多個衛星地面站彼此干擾時,一個特別具有挑戰性的情況是隱藏式載波干擾 (Carrier-in-Carrier) 量測。

隱藏式載波干擾故障排除:干擾源和受干擾訊號具有相同頻段且具有相同的調變特性,在這種情況下目標訊號品質會惡化,但僅憑頻譜圖卻無法立即偵測到干擾源,VSA 技術的解調能力對於此類故障排除至關重要。
在實際干擾情境中,VSA 能夠明確揭示干擾對訊號品質的影響。

GSM干擾案例分析:此圖為一個干擾情境範例,目標訊號是 DVB-S2 32APSK(15 Msymbol/s),受到一個與目標訊號存在頻率偏移(–20 dB/5 MHz)的 GSM 訊號干擾,結果顯示目標訊號的 EVM 顯著增加;此外誤差頻譜(藍色曲線) 明確顯示了在 GSM 干擾訊號所在頻譜位置,有更高的誤差水平。
搭配訊號產生器實現閉環測試
為進行全面的衛星鏈路和酬載測試,通常會搭配高階向量訊號產生器,例如 R&S®SMW200A。SMW200A 能夠產生高品質的測試訊號(如 DVB-S2/S2X 標準),具備優異的相位雜訊和低 EVM 性能,並能模擬複雜的測試環境,如增加高斯白雜訊 (AWGN) 或產生用於 雜訊功率比 (NPR) 量測的凹陷訊號,與 FSW 分析儀形成理想的測試迴路(Test Loop)。
總結
隨著衛星通訊系統邁向高階調變和超寬頻傳輸,訊號品質量測已成為確保系統可靠性和高容量運作的基石,誤差向量幅度 (EVM) 作為核心指標,是量化訊號失真程度的關鍵;R&S®FSW 訊號與頻譜分析儀及其 R&S®FSW-K70 VSA 選配,提供了高達 8.3 GHz 的寬頻分析能力和對 DVB-S2X 等複雜標準的解調功能,它不僅是進行常規 EVM/BER 監測的標準工具,更透過其 MSRA 模式和誤差頻譜分析,成為診斷和排除複雜 DVB-S2X 多重調變訊號或隱藏式載波干擾等進階問題的強大解決方案,搭配 R&S®SMW200A 訊號產生器,工程師能夠建立完整的、高精度的測試環境,全面驗證衛星通訊系統的性能。
延伸閱讀
從地面到軌道:5G 衛星通訊 HIL 測試的關鍵技術
接收器與 LNB 特性測試 — 升級衛星與雷達產業應用
高功率放大器測試:實現雷達、衛星與 5G 應用的真實條件特性分析
衛星通訊應用新藍圖 (LEO/NTN/高頻段) 與實現關鍵